今天中天恒遠小編為大家李德馨介紹污水在線監測系統,希望對廣大用戶有所幫助。

污水處理,無需投資,按噸收費,設備上門先處理后付費,整包托管轉移法律風險
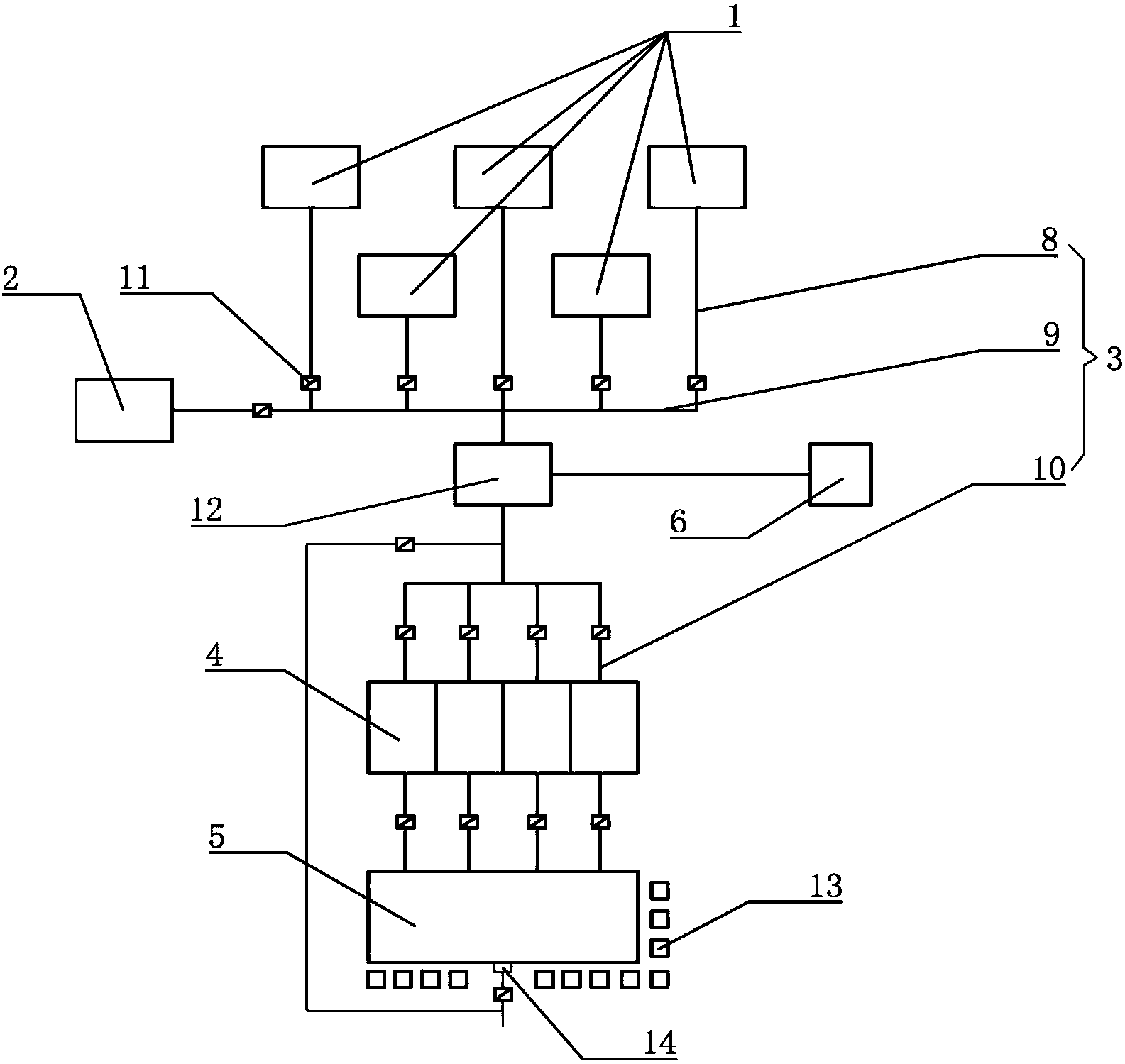
污水在線監測系統,屬于污水處理裝置領域,用于解決當前污水監測過程中人工采樣效率低,并且在運輸過程中水質可能會發生變化,使一些檢測項目的數據不準確等問題。它包括污水池,清水池,管道,儲存池,監測池,PLC控制系統,所述污水池和清水池上均開有出水口,所述管道包括污水管道、清水管道和采樣管道,所述污水管道、清水管道和采樣管道上均設有電磁閥,所述電磁閥通過電纜與PLC控制系統連接,所述采樣管道與清水管道連接處設有采樣泵,所述監測池內設有在線監測設備。本技術方案提供了一種污水在線監測系統,實現了污水取樣檢測的自動化,節省了大量的人力,避免了由于運輸過程不穩定而造成的監測數據不準確的問題。

權利要求書
1.一種污水在線監測系統,包括污水池,清水池,管道,儲存池,監測池,PLC控制系統,其特征在于:所述污水池包含多個,所述污水池和清水池上均開有出水口,所述出水口上設有法蘭,所述管道包括污水管道、清水管道和采樣管道,所述污水管道通過法蘭連接于污水池上的出水口,所述清水管道通過法蘭連接于清水池上的出水口,所述污水管道和清水管道、采樣管道和清水管道均通過法蘭相連,所述污水管道、清水管道和采樣管道上均設有電磁閥,所述電磁閥通過電纜與PLC控制系統連接,所述采樣管道與清水管道連接處設有采樣泵,所述采樣泵兩端通過法蘭分別與清水管道和采樣管道相連,所述監測池內設有在線監測設備,所述監測池上還設有排水口。
2.根據權利要求1所述的一種污水在線監測系統,其特征在于:所述監測池的地勢低于儲存池的地勢。
3.根據權利要求2所述的一種污水在線監測系統,其特征在于:所述管道由管道本體和收線盒兩部分組成,所述收線盒焊接于管道本體上,所述收線盒包括收線盒盒體、端蓋、密封墊、收線槽,所述收線盒盒體左端面為矩形通孔,所述收線盒盒體右端面為弧形,所述端蓋通過轉軸連接在收線盒盒體的左側端面上,所述端蓋右端面設有密封墊,所述收線槽為圓弧形,所述收線槽焊接在收線盒盒體內部的右端面上,所述收線槽包含多個。
4.根據權利要求3所述的一種污水在線監測系統,其特征在于:所述法蘭上設有四個螺栓孔,所述法蘭上開有通孔,所述通孔的尺寸與收線盒盒體的尺寸相互匹配。
5.根據權利要求4所述的一種污水在線監測系統,其特征在于:所述收線盒盒體右端面的弧長為10-15厘米。
說明書
一種污水在線監測系統
技術領域
本實用新型涉及一種污水在線監測系統,屬于污水處理裝置領域。
背景技術
污水廠在對污水處理過程中,污水的實時監測是必要工藝,因此需要監測污水在各個工藝段的水質情況,這需要大量的監測設備,其設備成本高。傳統的污水廠為節約成本,一般是在污水池入口、出口設立兩個實時在線采樣點,其余工藝段進行污水人工采樣,運輸到實驗室進行檢測。這種方式存在以下弊端:,在水樣的運輸保管過程中,水質可能會發生變化,使一些檢測項目的數據不準確;第二,人工采樣耗時,效率低;第三,人工成本高。
發明內容
本實用新型目的是旨在提供了一種不需要人工采樣就能自動取樣監測整個污水處理過程,并且能夠有效改善監測數據不準確問題的污水在線監測系統。
為實現上述技術目的,本實用新型采用的技術方案如下:
一種污水在線監測系統,包括污水池,清水池,管道,儲存池,監測池,PLC控制系統,所述污水池包含多個,所述污水池和清水池上均開有出水口,所述出水口上設有法蘭,所述管道包括污水管道、清水管道和采樣管道,所述污水管道通過法蘭連接于污水池上的出水口,所述清水管道通過法蘭連接于清水池上的出水口,所述污水管道和清水管道、采樣管道和清水管道均通過法蘭相連,所述污水管道、清水管道和采樣管道上均設有電磁閥,所述電磁閥通過電纜與PLC控制系統連接,所述采樣管道與清水管道連接處設有采樣泵,所述采樣泵兩端通過法蘭分別與清水管道和采樣管道相連,所述監測池內設有在線監測設備,所述監測池上還設有排水口。
本實用新型所述的污水在線監測系統分為兩種工作狀態:
種工作狀態下,PLC控制系統控制污水管道和采樣管道上的電磁閥打開,并關閉清水管道和排水口上的電磁閥,污水池內的污水在采樣泵的抽取下經過污水管道、采樣管道進入到儲存池中,在儲存池注滿后,關閉污水管道的電磁閥,打開儲存池與監測池之間采樣管道的電磁閥,由于監測池的大小小于儲存池,且監測池的地勢低于儲存池,污水經過采樣管道緩慢注滿監測池,在監測池內形成一個穩定的,類似于污水池內的液體環境,并由安裝在監測池內的在線監測設備進行數據的采集,比較后通過電纜將采集得到的數據傳輸到PLC控制系統中進行整合分析,完成整個工作過程后,打開排水口處的電磁閥,將儲存池和監測池內的污水排出;
第二種工作狀態下,PLC控制系統控制清水管道、采樣管道、排水管道上的電磁閥同時打開,清水流經采樣管道、采樣泵、儲存池、監測池后,經由排水口排出,完成對整個系統的清洗。
采用上述技術方案,實現了污水運輸監測過程的自動化,大量節省了人力,降低了成本,并且在監測池內能夠形成一個穩定的、類似于污水池內的液體環境,避免了由于運輸不穩定、采集量小等問題而造成監測結果不準確;此外,第二種工作狀態的設計,能夠有效清理整個系統內由于上一次采樣而留下來的殘留污水,從而保證了上一次采樣殘留的污水不會對下一次采樣產生影響。
進一步限定,所述管道由管道本體和收線盒兩部分組成,所述收線盒焊接于管道本體上,所述收線盒包括收線盒盒體、端蓋、密封墊、收線槽,所述收線盒盒體左端面為矩形通孔,所述收線盒盒體右端面為弧形,所述端蓋通過轉軸連接在收線盒盒體的左側端面上,所述端蓋右端面設有密封墊,所述收線槽為圓弧形,所述收線槽焊接在收線盒盒體內部的右端面上,所述收線槽包含多個。
在傳統的污水處理廠中,大多采用埋線或者架線這兩種方式來進行設備的連接,而污水處理廠由于其特殊的工作環境,很容易造成電纜的損壞,而埋線或者架線的方式給線路的檢查和維修帶了許多不便,為了解決上述的技術問題,本實用新型采用如下技術方案,在管道的兩側設計出收線盒,并在收線盒內加裝密封墊,使用時,直接將電纜卡于收線盒中的線槽內,采用此種技術方案,一方面使得電纜避免了直接暴露在外部環境當中,延長了電纜的使用壽命,另一方面,由于收線盒內的線槽包含多個,能夠將若干電纜收攬在不同的線槽內,使得檢查維修起來更加方便。
進一步限定,所述法蘭上開有通孔,所述通孔的大小等于收線盒盒體的大小。
為了實現電纜能夠收入到收線盒內,避免直接暴露在外部的環境當中,上述技術方案需要對法蘭做進一步的優化:首先限定法蘭上有且只有四個螺栓孔,使得法蘭上有充足的預留空間來開設通孔;第二,通孔的尺寸與收線盒盒體的尺寸相互匹配,使得管道上的收線盒能夠與法蘭上的通孔相互配合,保證了電纜能夠處在一個相對密封的環境當中。
進一步限定,所述收線盒盒體右端面的弧長為10-15厘米。
由于法蘭的主要作用是對管道進行連接,因此需要保證法蘭有足夠的結構強度,本實用新型在保證法蘭具有足夠強度的前提下,充分考慮了收線盒大小對實際使用效果的影響,從而給出了收線盒的比較佳尺寸范圍:10-15厘米。
本實用新型相比現有技術,實現了污水取樣檢測的自動化,節省了大量的人力,降低了成本,并且避免了由于運輸過程不穩定而造成的監測數據不準確的問題。
中天恒遠水處理設備報價聯系方式:
產品熱線:010-8022-5898
手機號碼:186-1009-4262
好了,關于污水在線監測系統就介紹到這里了,如果想了解更多請關注我們中天恒遠官網。





