本實用新型涉及一種電滲析法回用高鹽廢水裝置,包括高鹽水水池,高鹽水水池通過管路連接淡水箱,高鹽水水池通過管路連接精密過濾器A,精密過濾器A通過第三管路連接精密過濾器B,精密過濾器B通過管路連接濃水箱;精密過濾器A通過第二管路連接電滲析裝置,電滲析裝置通過管路連通到第三管路,電滲析裝置通過管路連接極水箱,極水箱通過第四管路連接電滲析裝置,濃水箱通過管路連通第四管路。本實用新型結構簡單,裝置平穩運行,大大減少了污水的排放量,提高了廢水的利用率,節能減排,達到生產廢水的循環利用。并且降低企業產品生產成本,提高企業生產利潤,創造出巨大的社會效益。

權利要求書
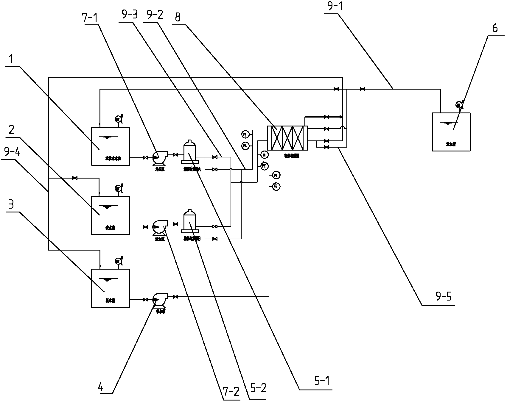
1.一種電滲析法回用高鹽廢水裝置,包括高鹽水水池(1),其特征在于,高鹽水水池(1)通過管路(9-1)連接淡水箱(6),高鹽水水池(1)通過管路連接精密過濾器A(5-1),精密過濾器A(5-1)通過第三管路(9-3)連接精密過濾器B(5-2),精密過濾器B(5-2)通過管路連接濃水箱(2);精密過濾器A(5-1)通過第二管路(9-2)連接電滲析裝置(8),電滲析裝置(8)通過管路連通到第三管路(9-3),電滲析裝置(8)通過管路連接極水箱(3),極水箱(3)通過第四管路(9-4)連接電滲析裝置(8),濃水箱(2)通過管路連通第四管路(9-4)。
2.根據權利要求1所述的電滲析法回用高鹽廢水裝置,其特征在于,第二管路(9-2)通過管路連通第三管路(9-3)。
3.根據權利要求1所述的電滲析法回用高鹽廢水裝置,其特征在于,濃水箱(2)與第四管路(9-4)之間的管路上設置閥門。
4.根據權利要求1所述的電滲析法回用高鹽廢水裝置,其特征在于,電滲析裝置(8)通過管路連接第四管路(9-4),第四管路(9-4)通過第五管路(9-5)連接管路(9-1),電滲析裝置(8)通過管路連接第五管路(9-5)。
5.根據權利要求1所述的電滲析法回用高鹽廢水裝置,其特征在于,高鹽水水池(1)和精密過濾器A(5-1)之間的管路上設置增壓泵(7-1),濃水箱(2)和精密過濾器B(5-2)之間的管路上設置濃水泵(7-2)。
6.根據權利要求1所述的電滲析法回用高鹽廢水裝置,其特征在于,極水箱(3)與電滲析裝置(8)之間的管路上設置極水泵(4)。
說明書
電滲析法回用高鹽廢水裝置
技術領域
本實用新型涉及一種電滲析法回用高鹽廢水裝置。
背景技術
節能降耗是國家鼓勵與支持的政策,同時隨著近年來國家環保政策越來越嚴格,越來越多的地區對企業的用水、排水提出了更高的要求,在減少原水用水的同時,盡量減少廢水排放,在條件允許的情況下,鼓勵企業實現廢水的零排放。對于企業來說,尋找穩定可靠的零排放工藝刻不容緩,高鹽水的處理成為關鍵難題。通常反滲透工藝產生大量的高含鹽廢水,再次經反滲透濃縮處理存在一定的難點,而直接使用蒸發濃縮工藝,大量的廢水又增加了初期投資及運行成本。
實用新型內容
本實用新型的目的是提供一種電滲析法回用高鹽廢水裝置,結構簡單,裝置平穩運行,大大減少了污水的排放量,提高了廢水的利用率,節能減排,達到生產廢水的循環利用。并且降低企業產品生產成本,提高企業生產利潤,創造出巨大的社會效益。
本實用新型所述的一種電滲析法回用高鹽廢水裝置,包括高鹽水水池,高鹽水水池通過管路連接淡水箱,高鹽水水池通過管路連接精密過濾器A,精密過濾器A通過第三管路連接精密過濾器B,精密過濾器B通過管路連接濃水箱;精密過濾器A通過第二管路連接電滲析裝置,電滲析裝置通過管路連通到第三管路,電滲析裝置通過管路連接極水箱,極水箱通過第四管路連接電滲析裝置,濃水箱通過管路連通第四管路。
第二管路通過管路連通第三管路。
濃水箱與第四管路之間的管路上設置閥門。
電滲析裝置通過管路連接第四管路,第四管路通過第五管路連接管路,電滲析裝置8通過管路連接第五管路。
高鹽水水池和精密過濾器A之間的管路上設置增壓泵,濃水箱和精密過濾器B之間的管路上設置濃水泵。
極水箱與電滲析裝置之間的管路上設置極水泵。
企業生產中產生的高鹽廢水進行濃縮處理,產生的淡水,回用于企業生產工藝用水環節,而經電滲析濃縮后的高含鹽廢水,再經蒸發等方式實現零排放,電滲析的多級濃縮工藝,減少了企業的新鮮水用水量,同時降低了廢水的排放量甚至實現零排放,從而降低企業產品生產成本,提高企業生產利潤,且創造出巨大的社會效益。
與現有技術相比,本實用新型具有以下有益效果:
本實用新型電滲析法回用高鹽廢水裝置,結構簡單,工藝路線明確,裝置運行平穩,極水循環利用,濃水循環利用并部分回用于高濃度鹽水中,大大提高了濃水含鹽量,同時進一步降低了濃水排放量,提高了廢水電滲析裝置的水利用率。同時,作為濃鹽水零排放系統的前處理裝置,大大減少的高含鹽廢水量減少了后續蒸發系統的投資及運行費用,達到節能減排目的。電滲析產生的淡水,滿足工藝用水需求及反滲透進水水質要求,實現了高鹽廢水的循環利用。
本實用新型提高了廢水的利用率,節能減排,達到生產廢水的循環利用。并且降低企業產品生產成本,提高企業生產利潤,創造出巨大的社會效益。





